Chap3 分立元件基本电路 ¶
共发射极放大电路 ¶
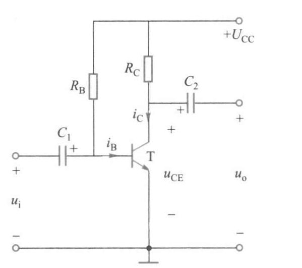
电路组成 ¶
共发射极放大电路

- 晶体管:电流放大作用,发射结正偏,集电结反偏
- 直流电源 \(U_{CC}\):提供放大所需能量
- 偏置电阻 \(R_B\):调节偏置电阻,可调节基极电流
- 集电极负载电阻 \(R_C\):将集电极电流的变化转换成电压的变化送到输出端
- 耦合电容 \(C_1\)、\(C_2\):隔直,不适用于低频电路
静态分析 ¶
静态分析
静态:放大器没有输入信号(\(u_i=0\))时,电路中各处的电压电流都是直流恒定值,亦称为直流工作状态
- 目的:
- 确定三极管工作状态
- 确定三极管静态工作点的合理性
- 内容:在直流电源作用下,确定三极管
- 基极电流 \(I_B\)
- 集电极电流 \(I_C\)
- 集电极与发射极之间的电压值 \(U_{CE}\)
- 方法:
- 图解法
- 估算法
静态工作点

对于输入电路,其电压方程为
\(I_B\) 与 \(U_{BE}\) 的关系为一条直线,称为偏置线;偏置线与输入特性曲线的交点 \(Q_B\) 称为输入电路的静态工作点
对于输出电路,其电压方程为
\(I_C\) 和 \(U_{CE}\) 的关系也是一条直线,称为负载线;负载线与输出特性曲线的交点 \(Q_C\) 称为输出电路的静态工作点

动态分析 ¶
动态分析
动态:放大电路有输入信号时,电路中各处的电压电流都处于工作变动状态
- 内容:输入信号变化时,电路中各种变化量的变动情况和相互关系
- 电压放大倍数 \(A_U\)
- 输入电阻 \(r_{i}\)
- 输出电阻 \(r_o\)
- 方法:
- 图解法
- 微变等效电路分析方法
如果静态工作点选得过高,在 \(u_i\) 的正半周,晶体管很快进入饱和区,输出波形就产生失真,这种失真称为饱和失真
如果静态工作点选得过低,在 \(u_i\) 的负半周,晶体管进入截止区,这种失真称为截止失真
总结
-
无输入信号时,晶体管的电流、电压都是直流量。当放大电路输入信号电压后,\(i_B\)、\(i_C\) 和 \(u_{CE}\) 都在原来静态值的基础上叠加一个交流量,它们的方向是始终不变的
-
输出电压 \(u_o\) 为与 \(u_i\) 同频率的正弦波,且输出电压 \(u_o\) 的幅度比输入电压 \(u_i\) 大得多
-
电流 \(i_b\)、\(i_c\) 与输入电压 \(u_i\) 同相,而输出电压 \(u_o\) 与输入电压反相,即共发射极放大电路具有倒相作用
-
静态工作点的选择必须合适
微变等效电路分析法
当放大电路的输入信号较小,且静态工作点选择合适时,晶体管的工作情况接近于线性状态,电路中各电流、电压的波形基本上是正弦波,因而可以将晶体管这个非线性元件组成的电路当作线性电路来处理
静态工作点的稳定 ¶
频率特性 ¶
共集电极放大电路 ¶
信号从发射极输出,所以共集电极电路又称为射极输出器
特点
共源极放大电路 ¶
静态分析 ¶
动态分析 ¶
分立元件组成的基本门电路 ¶
二极管与门电路 ¶

二极管或门电路 ¶

晶体管及场效晶体管非门电路 ¶

评论区